Minipivovar BREWORX LITE WC
…jednoduchá výroba piva z mladinového koncentrátu
Minipivovar BREWORX LITE WC je minipivovar z řady BREWORX LITE. Pivovar se vyznačuje velmi zjednodušenou varnou, umožňující svojí konstrukcí výrobu piva z mladinových koncentrátů, (Wort Concentrate) a vody. Neumožňuje výrobu piva z tradičních surovin, tj. ze sladu, chmele a vody, ani ze sladových výtažků.
Charakteristika minipivovaru BREWORX LITE WC
Řešení vhodné zejména pro minipivovary, kde není potřeba, aby se varna stala dominantou prostoru pro hosty, ale provozovatel chce vyrábět pivo maximálně nenáročným a energeticky i časově nejúspornějším způsobem, anebo bez nutnosti zaměstnávání kvalifikovaného sládka.
Oproti ostatním uspořádání varny neumožňuje varna BREWORX LiteWC výrobu piva z klasických surovin ani ze sladového extraktu, pouze z mladinového koncentrátu, což je přípravek, jehož rozmícháním ve studené vodě získáme již hotovou mladinu. Tímto odpadají veškeré fáze horkého procesu výroby piva, mladina je připravená za cca 1,5 hodiny. Ve výrobním procesu po získání mladiny pokračujeme spíláním ochlazené mladiny do kvasné nádoby. V jednom dni zvládne i rychle zaškolená osoba výrobu až 6-ti várek mladiny. Mladinový koncentrát je rovněž nenáročný na dopravu a skladování, což přináší další úspory zejména u provozu pivovarů provozovaných ve vzdálených zemích. V současné době dodáváme mladinový koncentrát pro výrobu spodně kvašeného světlého i tmavého piva.
Kvašení a zrání piva probíhá v uzavřených cylindrokónických tancích, anebo v otevřených kvasných kádích.
Co jsou mladinové koncentráty
Mladinové koncentráty vznikají z pivní mladiny, což je výsledný cukernatý meziprodukt, vznikající v první fázi technologického procesu při výrobě piva. Obsahuje extraktivní látky ze sladu (a surogátů), které jsou zkvasitelné a extraktivní látky z chmel. produktů. Mladina se po ukončení varného procesu zahustí v technologicky unikátních odparkách, kdy je dosaženo vření a odpaření vody už při teplotě kolem 45 °C, která nepoškozuje hlavní složku výtažku – cukr sladový neboli maltózu – karamelizací. Takto dochází k přirozenému zakonzervování mladiny a vznikne mladinový koncentrát.
Mladinové koncentráty jsou vyrobeny bez použití jakýchkoliv chemických aditiv (extrakčích činidel, umělých enzymů, konzervantů, slabilizátorů, barviv atd.) Mladina je vyrobená infúzním anebo dekokčním způsobem z různých druhů sladů, chmele a pitné vody profesionálním sládkem. Má obvykle medovou nebo práškovou konzistenci a dobu trvanlivosti 6-12 měsíců. Snadno se přepravuje a skladuje díky neprodyšným obalům.
Výhody mladinových minipivovarů LiteWC
- Umožňují výrobu mnoha druhů piva z různých druhů předpřipravených mladinových koncentrátů
- Nižší investiční náklady na pivovar – konstrukčně jednoduchý mladinový mixer bez ohřevu nahrazuje varnu, pivovar je bez topného zařízení, varny, ZHV, mačkadla sladu.
- Vyrobená mladiny má vždy stejnou vyrovnanou kvalitu
- Výrobní proces mladiny trvá cca 1 hodinu, což je o 10-14 hodin méně než u výroby piva z tradičních surovin.
- Výrobní výkon varny až 12 várek za 24 hodin
- Značné zjednodušení výroby oproti výrobě piva z tradičních surovin
- Velmi nízké nároky na technologické znalosti personálu
- Nízké mzdové nároky na obsluhu pivovaru
- Odpadá vážení sladu, mletí sladu, celý proces rmutování a scezování sladiny i chmelovar
- Nízké energetické nároky a nižší spotřeba vody
- Odpadají potíže s mlátovým hospodářstvím – výhoda pro minipivovary v centru měst
- Výrazně nižší náklady na dopravu baleného mladinového koncentrátu než u tradičních surovin
- Nízké nároky na vybavení a hygienické podmínky skladovacích prostor – není nutný suchý větraný sklad a odpadá boj s hlodavci
>> Technické parametry varny BREWORX LITE WC
>> Ceník a typové sestavy minipivovarů BREWORX LITE WC
Tři varianty minipivovarů BREWORX LITE WC – podle způsobu kvašení
Vyrábíme minipivovary BREWORX LITE WC ve třech variantách podle volby způsobu hlavního kvašení a uspořádání pivovarského sklepa .
Minipivovary BREWORX LITE WC CF
Řešení vhodné zejména pro minipivovary, kde není potřeba, aby se varna stala dominantou prostoru pro hosty, ale provozovatel chce vyrábět pivo maximálně nenáročným a energeticky i časově úsporným způsobem bez nutnosti zaměstnávání kvalifikovaného sládka. Kvašení a zrání piva v uzavřených cylindrokónických tancích je efektivním a moderním způsobem výroby piva, které je odolné proti kontaminaci kvasícího nápoje nežádoucími organismy. Možnost přesného řízení fermentace a zrání vede k trvale konstantním výsledkům kvality a senzorických vlastností vyrobeného piva.
Minipivovary BREWORX LITE WC OF
Řešení vhodné zejména pro minipivovary, kde není potřeba, aby se varna stala dominantou prostoru pro hosty, ale provozovatel chce vyrábět pivo maximálně nenáročným a energeticky i časově nejúspornějším způsobem, anebo bez nutnosti zaměstnávání kvalifikovaného sládka.
Kvašení a zrání piva v otevřených kvasných kádích (spilka) je tradičním způsobem výroby piva, typickým zejména pro spodně kvašené pivo českého typu. Umožňuje sběr deky v průběhu hlavního kvašení.
Minipivovary BREWORX LITE WC OCF
Kombinované řešení, umožňující výrobu spodně i svrchně kvašeného piva bez omezení daných volbou jen jediného typu kvasných nádob. Minipivovar obsahuje jak otevřené kvasné kádě (optimální pro tradiční způsob výroby spodně kvašených piv), tak i cylindrokónické tanky (vhodné zejména pro výrobu svrchně kvašených piv). Zrání piva probíhá pak ve zracích tancích, je možné ale namísto zracích tanků vybavit minipivovar dalšími cylindrokónickými tanky a používat je ve funkci zracích tanků. Řešení vhodné zejména pro restaurační minipivovary, kde provozovatel plánuje výrobu spodně i svrchně kvašených piva zakládá si na tradičním způsobu jejich výroby.
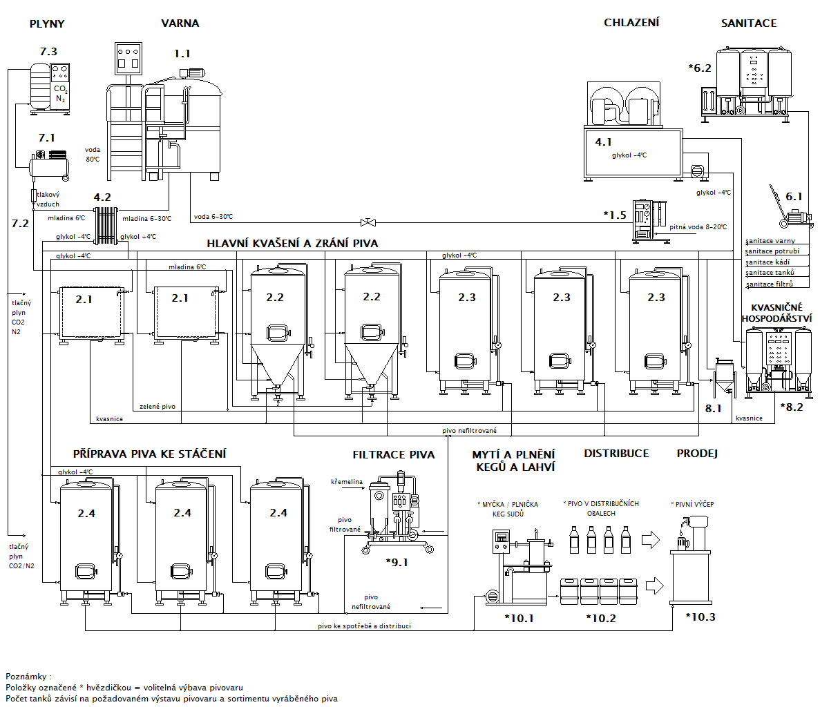
Schéma pivovaru BREWORX LITE WC CF (s uzavřeným hlavním kvašením):

1. Varna : 1.1 Varna: mladinový mixer, 1.5. Úpravna vody, 2. Kvašení : 2.1 Kvasné tanky (CKT), 2.2 Servisní (přetlačné) tanky, 3. Glykolový ohřívač, 4. Chlazení : 4.1 Glykolová chladicí jednotka, 4.2 Deskový výměník pro chlazení mladiny / výrobu horké vody, 6. Sanitace : 6.1 Mobilní CIP čerpadlo, 6.2 *CIP stanice, 7. Výroba technických plynů : 7.1 Kompresor, 7.2 Vyvíječ dusíku N2 / tlakové láhve s CO2 , 8. Kvasničné hospodářství : 8.1 Zásobník kvasnic, 8.2 *Propagační stanice pro pěstování kmenů kvasnic, 9. Filtrace piva : 9.1 *Primární a sekundární filtr, 10. Stáčení a prodej piva : 10.1 *Myčka a plnička KEG sudů, 10.2 *Distribuce a prodej piva v obalech 10.3 *Výčep.
Schéma pivovaru BREWORX LITE WC OF (s otevřeným hlavním kvašením):
1. Varna : 1.1 Varna: mladinový mixer, 1.5. Úpravna vody, 2. Kvašení : 2.1 Otevřené kvasné kádě, 2.2 Zrací (ležácké) tanky 2.3 Servisní (přetlačné) tanky, 3. Glykolový ohřívač, 4. Chlazení : 4.1 Glykolová chladicí jednotka, 4.2 Deskový výměník pro chlazení mladiny / výrobu horké vody, 6. Sanitace : 6.1 Mobilní CIP čerpadlo, 6.2 *CIP stanice, 7. Výroba technických plynů : 7.1 Kompresor, 7.2 Vyvíječ dusíku N2 / tlakové láhve s CO2 , 8. Kvasničné hospodářství : 8.1 Zásobník kvasnic, 8.2 *Propagační stanice pro pěstování kmenů kvasnic, 9. Filtrace piva : 9.1 *Primární a sekundární filtr, 10. Stáčení a prodej piva : 10.1 *Myčka a plnička KEG sudů, 10.2 *Distribuce a prodej piva v obalech 10.3 *Výčep.
Schéma pivovaru BREWORX LITE WC OCF (s otevřeným i zakrytým hlavním kvašením):

1. Varna : 1.1 Varna: mladinový mixer, 1.5. Úpravna vody, 2. Kvašení : 2.1 Otevřené kvasné kádě, 2.2. Kvasné cylindrokónické tanky, 2.3 Zrací (ležácké) tanky 2.4 Servisní (přetlačné) tanky, 3. Vyvíječ páry, 4. Chlazení : 4.1 Glykolová chladicí jednotka, 6. Sanitace : 6.1 Mobilní CIP čerpadlo, 6.2 *CIP stanice, 7. Výroba technických plynů : 7.1 Kompresor, 7.2 Vyvíječ dusíku N2 / tlakové láhve s CO2 , 8. Kvasničné hospodářství : 8.1 Zásobník kvasnic, 8.2 *Propagační stanice pro pěstování kmenů kvasnic, 9. Filtrace piva : 9.1 *Primární a sekundární filtr, 10. Stáčení a prodej piva : 10.1 *Myčka a plnička KEG sudů, 10.2 *Distribuce a prodej piva v obalech 10.3 *Výčep.
ŘÍDICÍ SYSTÉM PIVOVARU
A) Ovládací systém – úroveň MC – ruční ovládání (manual control)
Manuálně řízená varna, jednoduchý tlačítkový ovládací panel se základními ovládacími a měřicími prvky. Manuálně jsou nastavovány potrubní cesty, zapínány motory a čerpadla, teploty a časy hlídá sládek.
B) Ovládací systém – úroveň CC – centrální ovládání (central control)
Centrálně-manuálně řízená varna s podporou PLC s většinou operací ovládaných z centrálního ovládacího panelu s ovládacími a měřicími prvky. Ovládací panel je řešený dotykovým displejem anebo mechanickými spínači a regulátory – z něj jsou centrálně řízeny motory, ohřev a nastavovány cesty.
C) Ovládací systém – úroveň SA – poloautomatické řízení (semi-automatic control)
Poloautomaticky řízená varna s podporou počítače s většinou operací ovládaných počítačem – dle programu zadaného z centrálního ovládacího panelu. Ovládací panel je řešený dotykovým displejem . Sládek vybere recepturu a spustí program, který sám řídí výrobní proces. Sládek jej kontroluje a provádí laboratorní testy, ošetřuje nestandardní stavy a zajišťuje přípravu surovin a varny pro proces.


